Loading...

ZN63(VS1)-12系列户内手车式高压真空断路器

产品描述

概 述


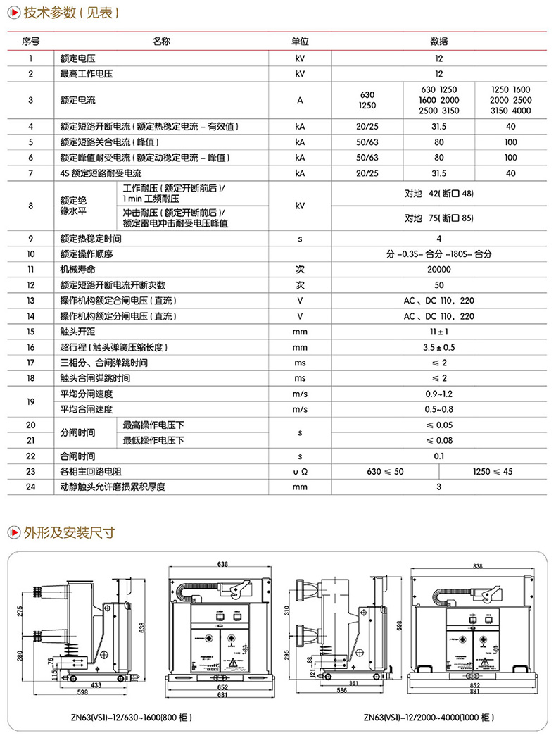
  ZN63(VS1)-12系列户内手车式高压真空断路器是三相交流50Hz,额定电压为12KV的户内开关设备,可供工矿企业、发电厂及变电站、电气设施的控制和保护之用,并适合于频繁操作的场所。采用操动机构与断路器本体一体化,设计即可做为固定安装单元,也可配用专用推进机构,组成手车单元使用。主回路部分可采用整体固封极柱,以实现断路器小型化、高可靠、免维护,可配用KYN28A-12(GZS)等中置手车式开关柜,固定式也可配用于XGN系列固定式开关柜。

使用环境


1、环境温度:不高于40℃,不低于-10(允许在-30℃时储运)。
2、海拔高度:不超过1000m。(若需增高海拔,则额定绝缘水平相应提高)
3、相对湿度:日平均值不大于95%,饱和蒸汽压日平均值不大于2.2×10-3 MPa,月平均不大于1.8×10-3MPa。
4、地震烈度:不超过8级。
5、无火灾、爆炸、严重污秽、化学腐蚀及剧烈振动的场所。

型号含义