Loading...

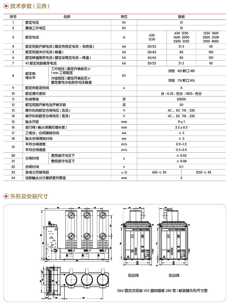
ZN63(VS1)-12系列户内侧装式高压真空断路器

产品描述

概 述


  ZN63(VS1)-12系列户内侧装式高压真空断路器系户内高压开关设备,适用于额定电压12kV、频率50Hz的三相电力系统中,作为保护和控制电器使用,由于真空断路器的特殊优越性,尤其适用于需要额定电流下频繁操作,或多次开断短路电流的场所。
ZN63(VS1)-12系列侧装式真空断路器采用固定式安装,主要用于固定式开关柜,该断路器既可单独使用,又可用于环网供电、箱式变或各种非标供电系统。

使用环境


1、环境温度:不高于40℃,不低于-10℃(允许在-30℃时储运)。
2、海拔高度:不超过1000m。(若需增高海拔,则额定绝缘水平相应提高)
3、相对湿度:日平均值不大于95%,饱和蒸汽压日平均值不大于2.2×10-3MPa,月平均不大于1.8×10-3-MPa。
4、地及烈度:不超过8级。
5、无火灾、爆炸、严重污秽、化学腐蚀及剧烈振动的场所。

型号含义