Loading...

GW9-12(15/24)型户外高压隔离开关

产品描述

概 述


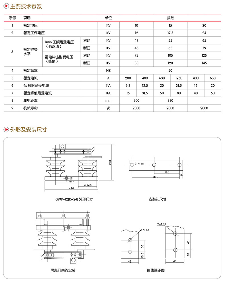
  GW9-12(15/24)型户外高压隔离开关为交流50Hz的户外高压电器设备,额定电压等级有10KV,15KV,24KV供高压线路在无负载倩况下进行开合,以及对被检修高压母线、断路器等电气设备带电的高压线路进行电气隔离之用,也可用于开、合小的电容或电感电流。
  本系列户外隔离开关满足GB1985《交流高压隔离开关和接地开关》、IEC60129《交流隔离开关与接地开关》以及GB/T11022《高压开关设备和控制设备标准的共用技术要求》等标准的相关规定。

使用环境


1、海拔高度不超过1000m;
2、周围空气温度:上限+40℃,下限一般地区-30℃,高寒地区-40℃;
3、风压不超过700Pa,(相当于风速34m/s);
4、地震烈度不超过8度:
5、无频繁剧烈震动场所;
6、普通型安装场所应无严重影响隔离开关绝缘和导电能力的气体、蒸气、化学性沉积、盐雾、灰尘及其它爆炸性、侵蚀性物质;
7、防污型适用于重污秽地区,但不应有引起火灾及爆炸物质。

型号含义